









.png)
.png)
_4.png)





Rettifica Tornitura
Incluso nella fornitura:
- Connessione elettrica sul retro del piatto
- Gruppo anello collettore integrato nel piatto oppure fornito separatamente (da installare sul mandrino della macchina)
Passo poli paralleli: 5 mm (ottone - acciaio)
Forza nominale: 100 N/cm2
Usura ammessa della piastra superiore: 8 mm
Tensione: 340 VDC
Altezza del campo magnetico: 5 mm
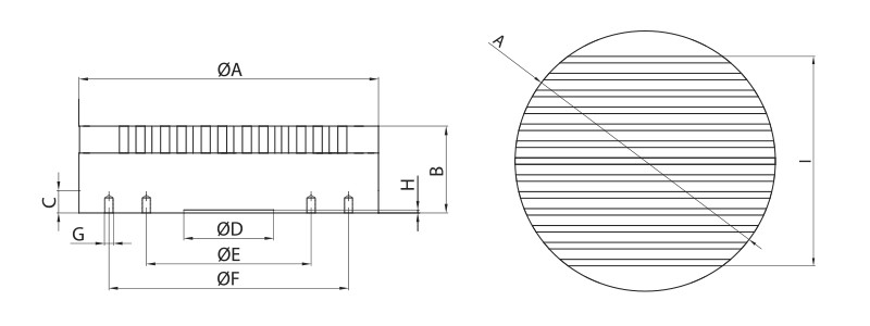
| CODE | Weight Kg | A | B | C | D | E | F | G | H | I |
|---|---|---|---|---|---|---|---|---|---|---|
| 11.17.5.150.340 | 10,5 | 150 | 90 | 14 | - | - | 120 | 3xM10 | 4 | - |
| 11.17.5.200.340 | 20,0 | 200 | 96 | 14 | - | - | 140 | 4xM10 | 4 | - |
| 11.17.5.300.340 | 49,5 | 300 | 106 | 16 | - | - | 190 | 4xM12 | 4 | - |
| 11.17.5.400.340 | 88,0 | 400 | 106 | 16 | - | - | 250 | 6xM12 | 5 | - |
| 11.17.5.500.340 | 150,5 | 500 | 116 | 16 | - | - | 320 | 6xM12 | 5 | - |
| 11.17.5.600.340 | 216,0 | 600 | 116 | 20 | - | - | 390 | 6xM12 | 5 | - |
| 11.17.5.700.340 | 295,0 | 700 | 116 | 20 | - | - | 450 | 6xM12 | 5 | - |
| 11.17.5.800.340 | 385,0 | 800 | 116 | 20 | - | - | 500 | 6xM12 | 5 | - |
| 11.17.5.1000.340 | 673,0 | 1000 | 130 | 20 | - | - | 600 | 8xM12 | 5 | - |
Per qualsiasi richiesta o informazione compila questo modulo, ti risponderemo il prima possibile.
I campi contrassegnati con l'asterisco (*) sono obbligatori.