









.png)
.png)
_4.png)





Rettifica Tornitura
Incluso nella fornitura:
- Connessione elettrica sul retro del piatto
- Gruppo anello collettore integrato nel piatto oppure fornito separatamente (da installare sul mandrino della macchina)
Forza nominale: 110 N/cm2
Usura ammessa della piastra superiore: 8 mm
Tensione: 340 VDC
Altezza del campo magnetico: 4 mm
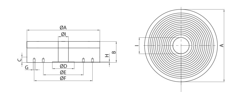
| CODICE | Peso Kg | A | B | C | D | E | F | G | H | I | J |
|---|---|---|---|---|---|---|---|---|---|---|---|
| 11.16.9.200.340 | 15,0 | 200 | 105 | 14 | 100H7 | - | - | 4xM10 | 5 | 20 | 9 |
| 11.16.9.300.340 | 52,0 | 300 | 105 | 16 | 150H7 | - | - | 4xM12 | 5 | 20 | 9 |
| 11.16.9.400.340 | 89,0 | 400 | 105 | 16 | 200H7 | - | - | 6xM12 | 5 | 40 | 9 |
| 11.16.9.500.340 | 141,0 | 500 | 120 | 16 | 250H7 | - | - | 6xM12 | 5 | 60 | 9 |
| 11.16.9.600.340 | 204,0 | 600 | 120 | 18 | 350H7 | - | - | 6xM12 | 5 | 80 | 9 |
| 11.16.9.700.340 | 278,0 | 700 | 120 | 18 | 400H7 | - | - | 6xM12 | 5 | 80 | 9 |
| 11.16.9.800.340 | 383,0 | 800 | 120 | 18 | 450H7 | - | - | 6xM12 | 5 | 100 | 9 |
| 11.16.9.1000.340 | 578,0 | 1000 | 130 | 18 | 600H7 | - | - | 8xM12 | 5 | 150 | 9 |
| 11.16.16.200.340 | 15,0 | 200 | 105 | 14 | 100H7 | - | - | 4xM10 | 5 | 20 | 16 |
| 11.16.16.300.340 | 54,0 | 300 | 105 | 16 | 150H7 | - | - | 4xM12 | 5 | 20 | 16 |
| 11.16.16.400.340 | 89,0 | 400 | 105 | 16 | 200H7 | - | - | 6xM12 | 5 | 40 | 16 |
| 11.16.16.500.340 | 141,0 | 500 | 120 | 16 | 250H7 | - | - | 6xM12 | 5 | 60 | 16 |
| 11.16.16.600.340 | 204,0 | 600 | 120 | 18 | 350H7 | - | - | 6xM12 | 5 | 80 | 16 |
| 11.16.16.700.340 | 278,0 | 700 | 120 | 18 | 400H7 | - | - | 6xM12 | 5 | 80 | 16 |
| 11.16.16.800.340 | 383,0 | 800 | 120 | 18 | 450H7 | - | - | 6xM12 | 5 | 100 | 16 |
| 11.16.16.1000.340 | 578,0 | 1000 | 130 | 18 | 600H7 | - | - | 6xM12 | 5 | 150 | 16 |
Per qualsiasi richiesta o informazione compila questo modulo, ti risponderemo il prima possibile.
I campi contrassegnati con l'asterisco (*) sono obbligatori.