









.png)
.png)
_4.png)





Rettifica EDM Metrologia Saldatura laser Posizionamento
Temperatura massima di esercizio: 80°C
Forza per polo: 100 daN
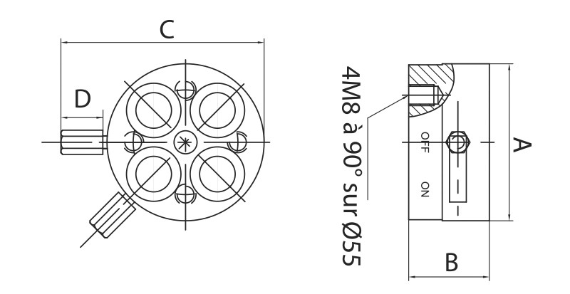
| CODICE | Peso Kg | A | B | C | D | E | F |
|---|---|---|---|---|---|---|---|
| 13.22.75N | 1,4 | 75 | 40 | 97 | 12 | 4XM8 90° | 27,5 |
Per qualsiasi richiesta o informazione compila questo modulo, ti risponderemo il prima possibile.
I campi contrassegnati con l'asterisco (*) sono obbligatori.